| |
SMVCB型振动筛系列
| 形式 |
有効ふるい
面積(m2) |
モータ出力
(kW×台数) |
振動数
(回/分) |
重量
(kg) |
| SMVCB-
450-2.5 |
0.7 |
1.5×1 |
450~650 |
1450 |
| SMVCB-
600-2.5 |
1.0 |
2.2×1 |
450~650 |
1850 |
| SMVCB-
600-3.0 |
1.2 |
2.2×1 |
450~650 |
2100 |
| SMVCB-
750-2.5 |
1.3 |
2.2×1 |
450~650 |
2350 |
| SMVCB-
750-3.0 |
1.6 |
2.2×1 |
450~650 |
2500 |
| SMVCB-
900-2.5 |
1.6 |
3.7×1 |
450~650 |
2900 |
| SMVCB-
900-3.0 |
2.0 |
3.7×1 |
450~650 |
3100 |
| SMVCB-
900-3.5 |
2.4 |
3.7×1 |
450~650 |
3400 |
| SMVCB-
1200-3.0 |
2.7 |
2.2×2 |
450~650 |
3900 |
| SMVCB-
1200-3.5 |
3.3 |
3.7×2 |
450~650 |
4200 |
| SMVCB-
1200-4.0 |
3.8 |
3.7×2 |
450~650 |
4600 |
| SMVCB-
1500-3.5 |
4.2 |
3.7×2 |
450~650 |
5300 |
| SMVCB-
1500-4.0 |
4.9 |
3.7×2 |
450~650 |
5800 |
| 形式 |
有効ふるい
面積(m2) |
モータ出力
(kW×台数) |
振動数
(回/分) |
重量
(kg) |
| SMVCB- 450-2.5 |
0.68 |
1.5×1 |
450~650 |
1700 |
| SMVCB- 600-2.5 |
0.98 |
2.2×1 |
450~650 |
2150 |
| SMVCB- 600-3.0 |
1.15 |
2.2×1 |
450~650 |
2200 |
| SMVCB- 750-2.5 |
1.2 |
2.2×1 |
450~650 |
2650 |
| SMVCB- 750-3.0 |
1.5 |
3.7×1 |
450~650 |
2800 |
| SMVCB- 900-2.5 |
1.5 |
3.7×1 |
450~650 |
3300 |
| SMVCB- 900-3.0 |
1.85 |
3.7×1 |
450~650 |
3400 |
| SMVCB- 900-3.5 |
2.25 |
2.2×2 |
450~650 |
3800 |
| SMVCB- 1200-3.0 |
2.8 |
3.7×2 |
450~650 |
4400 |
| SMVCB- 1200-3.5 |
3.6 |
3.7×2 |
450~650 |
4550 |
| SMVCB- 1200-4.0 |
3.7 |
3.7×2 |
450~650 |
5000 |
| SMVCB- 1500-3.5 |
4.0 |
3.7×2 |
450~650 |
5800 |
| SMVCB- 1500-4.0 |
4.7 |
5.5×2 |
450~650 |
6700 |
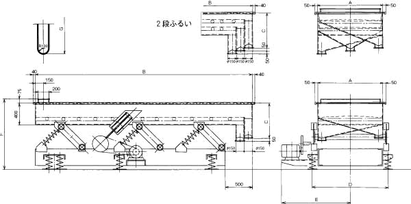
| 形式 |
A |
B |
C |
D |
E(MAX) |
F |
G |
| SMVCB-
450 |
450 |
2500 |
- |
- |
- |
650 |
650 |
约 830 |
约1225 |
400 |
| SMVCB-
600 |
600 |
2500 |
3000 |
- |
- |
650 |
800 |
约 900 |
约1225 |
500 |
| SMVCB-
750 |
750 |
2500 |
3000 |
- |
- |
650 |
950 |
约1000 |
约1225 |
650 |
| SMVCB-
900 |
900 |
2500 |
3000 |
3500 |
- |
650 |
1100 |
约1120 |
约1225 |
800 |
| SMVCB-1200 |
1200 |
- |
3000 |
3500 |
4000 |
650 |
1400 |
约1270 |
约1305 |
1100 |
| SMVCB-1500 |
1500 |
- |
- |
3500 |
4000 |
650 |
1700 |
约1420 |
约1305 |
1400 |
关闭窗口
|