| |
ORV系列电源(用于RVS型振动筛)
| 形
式 |
電
流 容 量 |
重量
(kg) |
適用負荷 |
| 200/220V |
400/440V |
| ORV- 24×2R |
5A |
3A |
20 |
RV-24D |
| ORV- 44×2R |
6A |
4A |
20 |
RV-44D |
| ORV- 74×2R |
9A |
5A |
20 |
RV-74D |
| ORV-158×2R |
19A |
10A |
30 |
RV-158B12 |
| ORV-228×2R |
17A |
9A |
30 |
RV-228B11 |
| ORV-378×2R |
27A |
- |
60 |
RV-378B11 |
| ORV-378×2R |
- |
14A |
30 |
RV-378B11 |
| ORV-558×2R |
31A |
- |
60 |
RV-558B11 |
| ORV-558×2R |
- |
16A |
30 |
RV-558B11 |
| ORV-758×2R |
41A |
21A |
60 |
RV-758B11 |
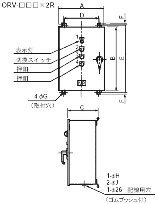
| 形式 |
外形尺寸(mm) |
| A |
B |
C |
D |
E |
F |
G |
H |
J |
| ORV- 24×2R |
400 |
500 |
220 |
300 |
540 |
15 |
11 |
26 |
26 |
| ORV- 44×2R |
400 |
500 |
220 |
300 |
540 |
15 |
11 |
26 |
26 |
| ORV- 74×2R |
400 |
500 |
220 |
300 |
540 |
15 |
11 |
26 |
26 |
| ORV-158×2R |
450 |
600 |
220 |
350 |
640 |
20 |
14 |
26 |
26 |
| ORV-228×2R |
450 |
600 |
220 |
350 |
640 |
20 |
14 |
26 |
26 |
| ORV-378×2R |
500 |
800 |
270 |
400 |
840 |
20 |
14 |
42 |
26 |
| ORV-378×2R |
450 |
600 |
220 |
350 |
640 |
20 |
14 |
26 |
26 |
| ORV-558×2R |
500 |
800 |
270 |
400 |
840 |
20 |
14 |
42 |
26 |
| ORV-558×2R |
450 |
600 |
220 |
350 |
640 |
20 |
14 |
26 |
26 |
| ORV-758×2R |
500 |
800 |
270 |
400 |
840 |
20 |
14 |
42 |
42 |
关闭窗口
|