kihua logo sinfonia logo
  | | |  
 


橡胶弹簧振动机(VG系列)

■标准式样:ゴムスプリングバイブレータVG形
形式 电压
(V)
周波数
(Hz)
振动数
(VPM)
冲击力
(kg)
电流(200V時)
(A)
电压X电流
(VA)
重量
(kg)
適用制御器
(形式)
VG-60 200/220 50/60 3000/3600 300 1.8 360 20 C4-5B
VG-80 200/220 50/60 3000/3600 600 3 600 35 C4-5B

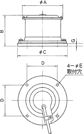
■外形尺寸图:ゴムスプリングバイブレータVG形

 

关闭窗口

 
上海起华机械有限公司 Shanghai KIHUA Machinery Co., Ltd.@版权所有
|
首页 |品牌列表 |关于我们 |联系我们 |