kihua logo sinfonia logo
  | | |  
 


小型电磁shinko_sinfonia_神钢电机振动设备(CF形)
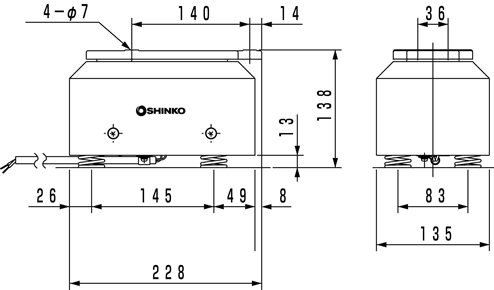
■外形尺寸图:CF-1

単位:mm

平低開放标准形

驱动部


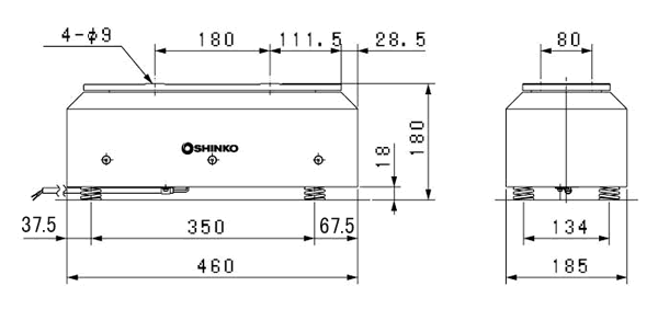
■外形尺寸图:CF-2

単位:mm

平低開放标准形

驱动部


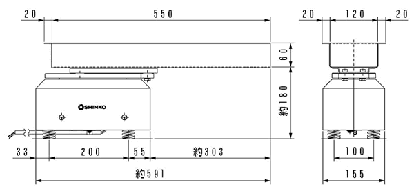
■外形尺寸图:CF-3

単位:mm

平低開放标准形

驱动部

 

关闭窗口

 
上海起华机械有限公司 Shanghai KIHUA Machinery Co., Ltd.@版权所有
|
首页 |品牌列表 |关于我们 |联系我们 |