kihua logo sinfonia logo
  | | |  
 
 

外形尺寸图
EA-15/20

単位:mm

尺寸图

単位:mm

形式 H φA φB M φF
EA-15 130~133~136 160 150 M8 130
EA-20 152~155~158 210 200 M10 170
 
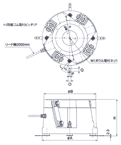
EA-25/30/45

単位:mm

尺寸图

単位:mm

形式 H φA φB M φF L N O P Q
EA-25 187~190~193 260 250 M12 216 58 50 16 7 10
EA-30 215~220~225 310 300 M12 252 85 75 20 7 20
EA-38 255~260~265 390 375 M16 324 85 75 20 7 20
EA-45 275~280~285 460 450 M16 390 85 75 20 7 20

关闭窗口

 
上海起华机械有限公司 Shanghai KIHUA Machinery Co., Ltd.@版权所有
|
首页 |品牌列表 |关于我们 |联系我们 |