| |
|
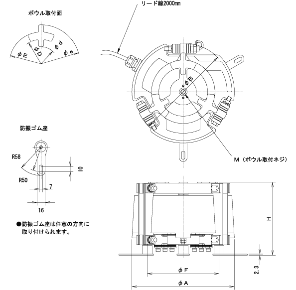
| 形式 |
H |
φA |
φB |
M |
φD |
φE |
φd |
φe |
| DMS-15 |
127~130~133 |
]160 |
150 |
M8 |
72 |
94 |
50 |
120 |
| DMS-20 |
147~150~153 |
210 |
200 |
M10 |
100 |
130 |
70 |
160 |
| 形式 |
H |
φA |
φB |
M |
φF |
L |
N |
O |
Q |
φD |
φE |
φd |
φe |
| DMS-25 |
182~185~188 |
260 |
250 |
M12 |
216 |
58 |
50 |
16 |
10 |
140 |
160 |
100 |
200 |
| DMS-30 |
215~220~225 |
310 |
300 |
M12 |
252 |
85 |
75 |
20 |
20 |
172 |
192 |
140 |
240 |
| DMS-38 |
245~250~255 |
390 |
380 |
M16 |
324 |
85 |
75 |
20 |
20 |
215 |
240 |
170 |
300 |
| DMS-45 |
260~265~270 |
460 |
450 |
M16 |
390 |
85 |
75 |
20 |
20 |
270 |
300 |
210 |
350 |
关闭窗口
|