| |
|
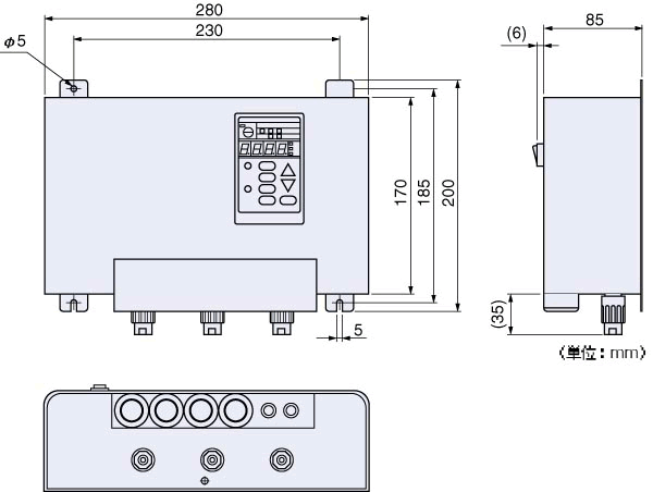
| 外形尺寸图 |
 |
| 形式 |
C9-4DM |
| 入力電源 |
AC200/220V 土10% 50/60Hz |
| 出力 |
制御方式 |
PWM方式 |
| 電圧(V) |
0~190 |
| 振動数(Hz) |
60~120 |
| 最大電流(A) |
水平:4 垂直:2 |
| 付加機能 |
共振点自動追尾制御 |
水平の共振点を自動的に追尾 精度:频率土0.3% |
| 定位相差制御 |
水平と垂直の振幅位相差を一定に制御 |
| 定振幅制御 |
水平と垂直の振幅を一定に制御 |
| 表示機能 |
出力周波数、水平/垂直振幅??位相差等を表示 |
| 設定機能 |
水平/垂直振幅、位相差等を設定 |
| 速度切替 |
外部信号の設定により4通りの設定値記憶が可能 |
| 運転•停止制御 |
外部信号で運転停止が可能 |
| 出力信号 |
運転と同調した信号を出力 |
| ソフトスタート |
立ち上がり時間 0.2秒~4.0秒 |
| オン??オフディレイ |
ディレイ時間 0.2秒~4.0秒 |
| センサ電源 |
DC12V、max80mAを3Pコンセントプラグに用意 |
| 同期電源出力 |
機能 |
零件供料器の運転(RUN)に同調した電源出力 |
| 制御方式 |
トライアックによるON/OFF制御 |
| 出力電圧 |
コントロール電源に同じ |
| 最大電流(A) |
2 |
| その他 |
耐ノイズ電圧(V) |
1000以上 |
| 使用温度範囲(度) |
0~40 |
| 使用湿度範囲(%) |
10~90(但し、結露なきこと) |
| 外形色 |
グレー(日本塗料工業 S2-1006) |
| 外形寸法(mm) |
280 (W) X200 (H) X90 (D) (コンセントプラグ含まず) |
| 質量(kg) |
2.4 |
关闭窗口
|