kihua logo sinfonia logo
  | | |  
 
 

电磁离合shinko_sinfonia_神钢电机制动器减速马达组合
<CHHCM1-6105>

 

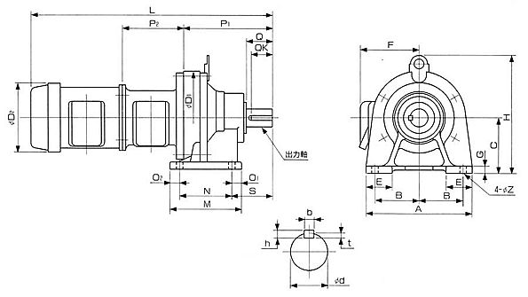
单位 : mm

形 式

CHHCM02-6095


A 230
B 95
C 120
D1 204
D2 162
E 60
F 134.5
G 15
H 259


L 587.5
M 155
N 115
O1 20
O2 20
P1 186
P2 161
S 82
Z 14

Q 55
QK 50
d 38
b 10
h 8
t 5

 

关闭窗口

 
上海起华机械有限公司 Shanghai KIHUA Machinery Co., Ltd.@版权所有
|
首页 |品牌列表 |关于我们 |联系我们 |