kihua logo sinfonia logo
  | | |  
 
 

电磁离合shinko_sinfonia_神钢电机制动器减速马达组合
<CHHCM1-6145>

 

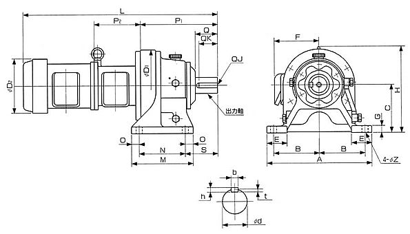
单位 : mm

形 式

CHHCM02-6095


A 330
B 145
C 150
D1 230
D2 162
E 65
F 127
G 22
H 264


L 612.5
M 195
N 145
O1 25
O2 260
P1 141
P2 120
S 18
Z M10亊18

Q 90
QK 80
d 50
b 14
h 9
t 5.5

关闭窗口

 
上海起华机械有限公司 Shanghai KIHUA Machinery Co., Ltd.@版权所有
|
首页 |品牌列表 |关于我们 |联系我们 |