kihua logo sinfonia logo
  | | |  
 
 

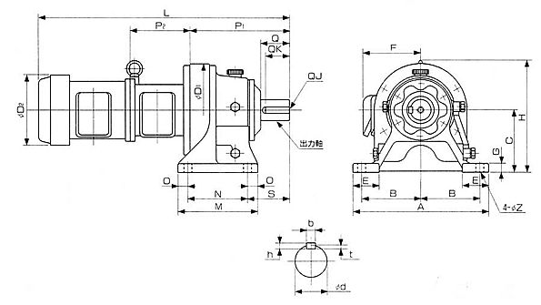
电磁离合shinko_sinfonia_神钢电机制动器减速马达组合
<CHHCM10-6175>

 

单位 : mm

形 式

CHHCM02-6095


A 430
B 190
C 200
D1 340
D2 272
E 80
F 200
G 30
H 401


L 1009
M 335
N 275
O1 30
O2 352
P1 256
P2 125
S 22
Z M10x18

Q 90
QK 80
d 70
b 20
h 12
t 7.5

关闭窗口

 
上海起华机械有限公司 Shanghai KIHUA Machinery Co., Ltd.@版权所有
|
首页 |品牌列表 |关于我们 |联系我们 |