kihua logo sinfonia logo
  | | |  
 
 

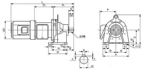
电磁离合shinko_sinfonia_神钢电机制动器减速马达组合
<CHHCM02-6095>

 

单位 : mm

形 式

CHHCM02-6095


A 180
B 75
C 100
D1 150
D2 124
E 40
F 111
G 12
H 207


L 436
M 130
N 90
O1 15
O2 25
P1 142
P2 131
S 60
Z 11

Q 35
QK 32
d 28
b 8
h 7
t 4

 

关闭窗口

 
上海起华机械有限公司 Shanghai KIHUA Machinery Co., Ltd.@版权所有
|
首页 |品牌列表 |关于我们 |联系我们 |