kihua logo sinfonia logo
  | | |  
 
 
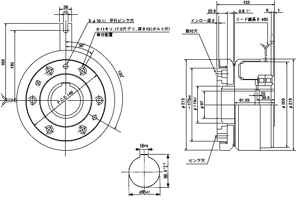
轴承安装型shinko_sinfonia_神钢电机离合器<TZ-160>

 

形 式

TZ-160
定格トルク   Nm
1600

定格電圧   DC-V

24
消費電力  W(at75℃)
80

質量              kg

18

受注生産品

(注)TZ-160は湿式使用です。(軸芯給油方式としてください)乾式でご使用の時は当社にご相談ください。

単位 : mm

電源箱

DMP-200/24

关闭窗口

 
上海起华机械有限公司 Shanghai KIHUA Machinery Co., Ltd.@版权所有
|
首页 |品牌列表 |关于我们 |联系我们 |