kihua logo sinfonia logo
  | | |  
 
 
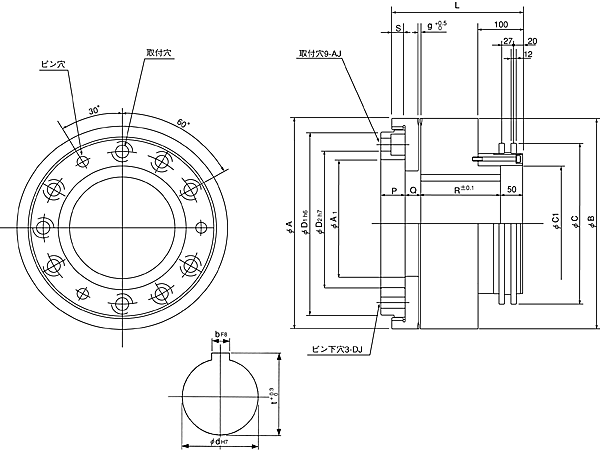
线圈旋转型shinko_sinfonia_神钢电机离合器<TR-5000>

 

形 式

TR-5000
定格トルク     Nm 50000

定格電圧     DC-V

100
消費電力     W(at75℃) 175

質量               kg

435
受注生産品

単位 : mm



A 540
A1 260
B 540
C 380
C1 280
D1 460
D2 310


L 391
P 70
Q 51
R 220
S 30
g 2

P.C.D 380
AJ
φ33穴
φ51座グリ深さ40
DJ
φ30 -0.1
-0.4

d 200
b 45
t 214

关闭窗口

 
上海起华机械有限公司 Shanghai KIHUA Machinery Co., Ltd.@版权所有
|
首页 |品牌列表 |关于我们 |联系我们 |