kihua logo sinfonia logo
  | | |  
 
 

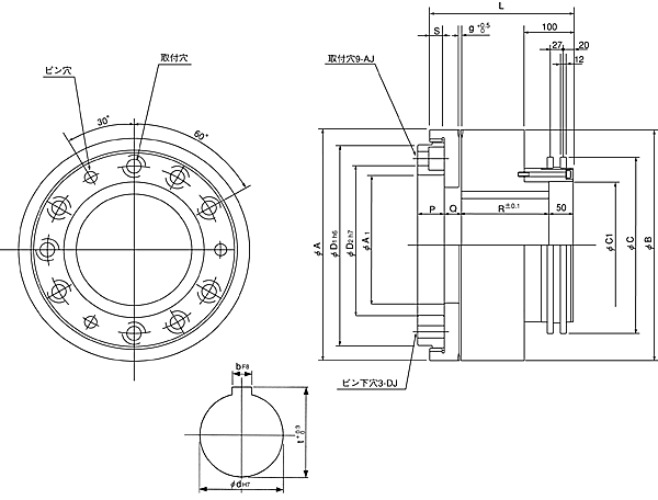
线圈旋转型shinko_sinfonia_神钢电机离合器<TR-2500>

 

形 式

TR-2500
定格トルク     Nm
25000

定格電圧     DC-V

24
消費電力    W(at75℃)
125

質量               kg

195

単位 : mm



A 420
A1 210
B 420
C 320
C1 230
D1 365
D2 255


L 319.3
P 55
Q 34.3
R 180
S 25
g 1.5

P.C.D 315
AJ
Φ26穴
Φ39
座グリ深さ27
DJ
Φ20 -0.1
-0.2

d 170
b 42
t 183
電源箱
DMP-200/24A

关闭窗口

 
上海起华机械有限公司 Shanghai KIHUA Machinery Co., Ltd.@版权所有
|
首页 |品牌列表 |关于我们 |联系我们 |