kihua logo sinfonia logo
  | | |  
 
 

线圈静止型shinko_sinfonia_神钢电机离合器<TO-2>

 

形 式

T0-2
定格トルク     Nm 50

定格電圧      DC-V

24
消費電力        W(at75℃) 20

質量                   kg

1.0

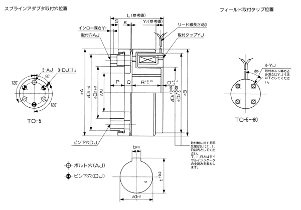
単位 : mm



A 76.2
A1 38.1
B 76.2
D1 64
D2 42
D3 71.37
D4 42.82


L 49.3
O 2.5
P 11.2
Q 7.99
R 27.61
S 5.3
Y1 3
Y2 6.1
g
0.3 +0.2
0

AJ P.C.D 35
ボルト穴
φ5.5穴φ9
座グリ深さ6.5
DJ P.C.D 53.75
ピン下穴 6
YJ P.C.D 63.5
タップ M4×5

d 24
b 7
t 27
電源箱
DMP-63/24A

 

关闭窗口

 
上海起华机械有限公司 Shanghai KIHUA Machinery Co., Ltd.@版权所有
|
首页 |品牌列表 |关于我们 |联系我们 |