kihua logo sinfonia logo
  | | |  
 
 

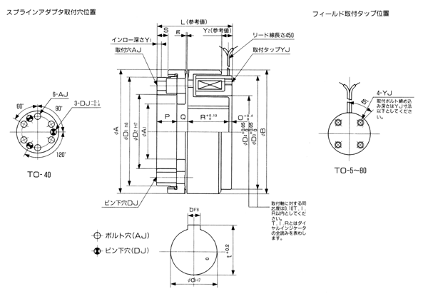
线圈静止型shinko_sinfonia_神钢电机离合器<TO-40>

 

形 式

T0-40
定格トルク    Nm 400

定格電圧      DC-V

24
消費電力        W(at75℃) 70

質量                   kg

7.2

単位 : mm



A 137.7
A1 64.3
B 137.7
D1 118
D2 84
D3 128.55
D4 79.35


L 86.9
O 2.5
P 22.4
Q 12.85
R 49.15
S 13.8
Y1 6
Y2 9.9
g
0.4 +0.3
0

AJ P.C.D 86.87
ボルト穴
φ8.8穴φ14
座グリ深さ10
DJ P.C.D 101.6
ピン下穴 10
YJ P.C.D 114.3
タップ M6亊8

d 57
b 15
t 62
電源箱
DMP-100/24A

 


关闭窗口

 
上海起华机械有限公司 Shanghai KIHUA Machinery Co., Ltd.@版权所有
|
首页 |品牌列表 |关于我们 |联系我们 |