kihua logo sinfonia logo
  | | |  
 
 

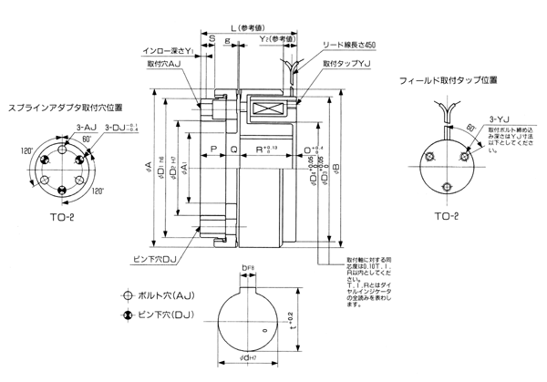
线圈静止型shinko_sinfonia_神钢电机离合器<TO-2>

 

形 式

T0-2
定格トルク     Nm
20

定格電圧      DC-V

24
消費電力        W(at75℃)
13

質量                   kg

0.60

単位 : mm



A 50.8
A1 15.9
B 50.8
D1 44
D2 25
D3 46.56
D4 23.04


L 40.3
O 2
P 8.6
Q 6.1
R 23.6
S 4.5
Y1 2
Y2 4.6
g
0.2 +0.1
0

AJ P.C.D 35
ボルト穴
φ3.4穴??φ6.5
座グリ深さ4
DJ P.C.D 35
ピン下穴 4
YJ P.C.D 38.1
タップ M3×4.5

d 12
b 4
t 13.5
電源箱
DMP-20/24A

关闭窗口

 
上海起华机械有限公司 Shanghai KIHUA Machinery Co., Ltd.@版权所有
|
首页 |品牌列表 |关于我们 |联系我们 |