kihua logo sinfonia logo
  | | |  
 
 
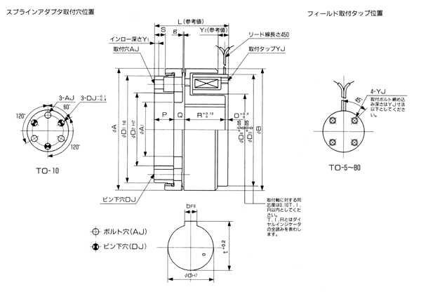
线圈静止型shinko_sinfonia_神钢电机离合器<TO-10>

 

形 式

T0-10
定格トルク    Nm
100

定格電圧      DC-V

24
消費電力        W(at75℃)
34

質量                   kg

1.8

単位 : mm



A 85.9
A1 40
B 85.9
D1 73
D2 50
D3 79.32
D4 48.39


L 55.9
O 2.5
P 12.7
Q 7.95
R 32.75
S 6.6
Y1 3
Y2 6.6
g
0.3 +0.2
0

AJ P.C.D 62.48
ボルト穴
φ5.5穴??φ9
座グリ深さ6.5
DJ P.C.D 62.48
ピン下穴 6
YJ P.C.D 71.42
タップ M4×5

d 28
b 7
t 31
電源箱
DMP-63/24A

关闭窗口

 
上海起华机械有限公司 Shanghai KIHUA Machinery Co., Ltd.@版权所有
|
首页 |品牌列表 |关于我们 |联系我们 |