kihua logo sinfonia logo
  | | |  
 
 
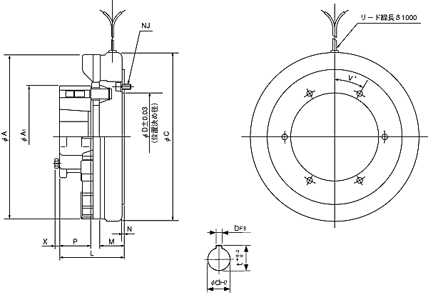
shinko_sinfonia_神钢电机制动器<TB-825/IMP>

 

形 式

TB-825/IMP
静摩擦トルク   Nm
70

定格電圧   DC-V

24
消費電力   W(at75℃)
30

質量             kg

10

受注生産品



A 214
A1 117.5
C 212
D 88.95


L 92.6
M 37
N 3.3
P 40.5
X 6

NJ 本数 6
P.C.D 107.9
ボルト M8×16
V 30

d 28
b 7
t 31

关闭窗口

 
上海起华机械有限公司 Shanghai KIHUA Machinery Co., Ltd.@版权所有
|
首页 |品牌列表 |关于我们 |联系我们 |