kihua logo sinfonia logo
  | | |  
 
 
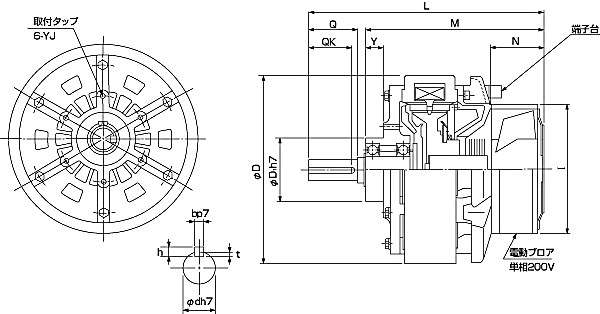
shinko_sinfonia_神钢电机离合器<TB-500/IMP>
 

形 式

TB-500/IMP
静摩擦トルク   Nm
20

定格電圧   DC-V

24
消費電力   W(at75℃)
21

質量              kg

2.8

単位 : mm

关闭窗口

 
上海起华机械有限公司 Shanghai KIHUA Machinery Co., Ltd.@版权所有
|
首页 |品牌列表 |关于我们 |联系我们 |