kihua logo sinfonia logo
  | | |  
 
 
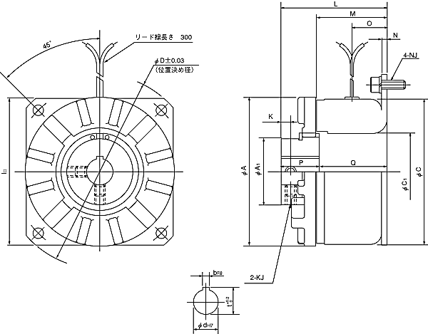
shinko_sinfonia_神钢电机离合器<TB-400/FMS>

 

形 式

TB-400/FMS
静摩擦トルク   Nm
10

定格電圧   DC-V

24
消費電力   W(at75℃)
8

質量             kg

2.2


A 105
A1 31.75
C 102
C1 60
D 142.85
I 108


L 51
M 31
N 3.5
O 17.7
P 22.2
Q 28.8

K 4.8
KJ M6
NJ P.C.D 127.0
ボルト M6×18

d 18
b 5
t 20

关闭窗口

 
上海起华机械有限公司 Shanghai KIHUA Machinery Co., Ltd.@版权所有
|
首页 |品牌列表 |关于我们 |联系我们 |