kihua logo sinfonia logo
  | | |  
 
 
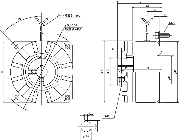
shinko_sinfonia_神钢电机离合器<TB-260/FMS>

 

形 式

TB-260/FMS
静摩擦トルク   Nm
3

定格電圧   DC-V

24
消費電力   W(at75℃)
9.7

質量             kg

0.7


A 68
A1 30.1
C 66.3
C1 35
D 88.87
I 67


L 48.3
M 31.7
N 2.5
O 16
P 17.5
Q 30.8

K 4.4
KJ M5
NJ P.C.D 79.4
ボルト M4×12

d 12
b 3
t 13

关闭窗口

 
上海起华机械有限公司 Shanghai KIHUA Machinery Co., Ltd.@版权所有
|
首页 |品牌列表 |关于我们 |联系我们 |