kihua logo sinfonia logo
  | | |  
 
 
shinko_sinfonia_神钢电机制动器<TB-1525/IMP>

 

形 式

TB-1525/IMP
静摩擦トルク   Nm
380

定格電圧   DC-V

24
消費電力   W(at75℃)
25

質量             kg

28

受注生産品

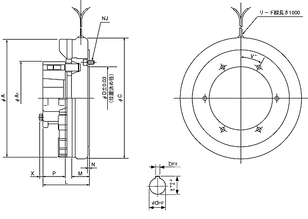
単位 : mm



A 394
A1 241.3
C 387
D 228.62


L 112.2
M 44.7
N 3.3
P 76.2
X 8.5

NJ 本数 12
P.C.D 247.6
ボルト M8×16
V 15

d 50
b 12
t 53.5

关闭窗口

 
上海起华机械有限公司 Shanghai KIHUA Machinery Co., Ltd.@版权所有
|
首页 |品牌列表 |关于我们 |联系我们 |