kihua logo sinfonia logo
  | | |  
 
 
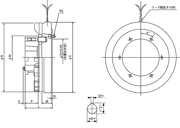
shinko_sinfonia_神钢电机制动器<TB-1225/IMP>

 

形 式

TB-1225/IMP
静摩擦トルク   Nm
260

定格電圧   DC-V

24
消費電力   W(at75℃)
22

質量             kg

20

受注生産品



A 315
A1 174.6
C 311
D 161.97


L 134.4
M 41.5
N 3.3
P 76.2
X 8.5

NJ 本数 6
P.C.D 184.1
ボルト M8×16
V 30

d 50
b 12
t 53.5

关闭窗口

 
上海起华机械有限公司 Shanghai KIHUA Machinery Co., Ltd.@版权所有
|
首页 |品牌列表 |关于我们 |联系我们 |