kihua logo sinfonia logo
  | | |  
 
 
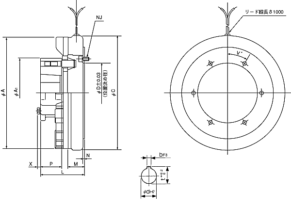
shinko_sinfonia_神钢电机制动器<TB-1000/IMP>

 

形 式

TB-1000/IMP
静摩擦トルク   Nm
120

定格電圧   DC-V

24
消費電力   W(at75℃)
27

質量             kg

13

受注生産品



A 258
A1 158.7
C 256
D 136.57


L 100.3
M 37
N 3.3
P 48.4
X 7.5

NJ 本数 6
P.C.D 155.6
ボルト M8×16
V 30

d 48
b 12
t 51

关闭窗口

 
上海起华机械有限公司 Shanghai KIHUA Machinery Co., Ltd.@版权所有
|
首页 |品牌列表 |关于我们 |联系我们 |