kihua logo sinfonia logo
  | | |  
 
 
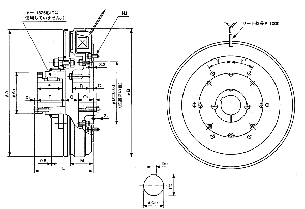
突出轴型shinko_sinfonia_神钢电机离合器<SFC-825/BMS>
 

形 式

SFC-825/BMS

静摩擦トルク   Nm

200

定格電圧   DC-V

24
消費電力         W(at75℃)
28
質量       kg
11

单位: mm

电源箱 DMP-63/24A
制御器 TMP-40D
EMP-70DB
CSM-55DB
CMPH-250/4HB





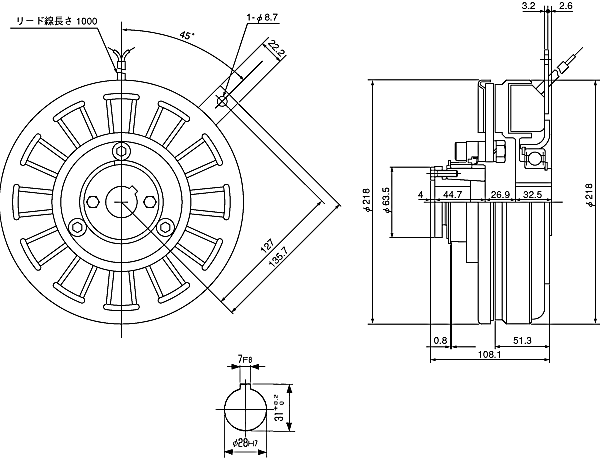
突出轴型shinko_sinfonia_神钢电机离合器<SFC-825/IMS>

 

形 式

SFC-825/IMS

静摩擦トルク   Nm

180

定格電圧   DC-V

24
消費電力         W(at75℃)
25
質量       kg
11

单位 : mm



A 218
A1 63.5
B 218
D 88.95


L 105.5
M 48.4
O1 17.5
O2 7.1
P 44.7
P1 32
Q 38.5
R 25.4
X1 4
X2 6

NJ
本数
6
P.C.D
107.9
ボルト
M8x16
V 30

d 28
b 7
t 31


DMP-63/24A





TMP-40D

EMP-70DB

CSM-55DB

CMPH-250/4HB

关闭窗口

 
上海起华机械有限公司 Shanghai KIHUA Machinery Co., Ltd.@版权所有
|
首页 |品牌列表 |关于我们 |联系我们 |