kihua logo sinfonia logo
  | | |  
 
 
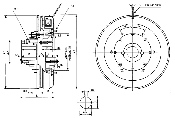
突出轴型shinko_sinfonia_神钢电机离合器<SFC-1225/IMS>

 

形 式

SFC-1225/IMS

静摩擦トルク   Nm

650

定格電圧   DC-V

24
消費電力         W(at75℃)
27
質量       kg
32

单位 : mm




A 320
A1 104.8
B 322.5
D 161.97


L 148.1
M 58.7
O1 7.9
O2 7.1
P 70.2
P1 63.5
Q 33.6
R 44.4
X1 7
X2 7.5

NJ
本数
6
P.C.D
184.1
ボルト
M8x16
V 30

d 50
b 12
t 53.5


DMP-63/24A





TMP-40D

EMP-70DB

CSM-55DB

CMPH-250/4HB





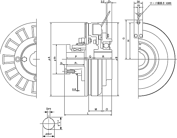
突出轴型shinko_sinfonia_神钢电机离合器<SFC-1225/BMS>

 

形 式

SFC-1225/BMS

静摩擦トルク   Nm

650

定格電圧   DC-V

24
消費電力         W(at75℃)
27
質量       kg
36

单位 : mm



A 320
A1 104.8
B 322.5
G 170
H 160


L 188.1
M 58.7
O 40
O1 22.8
P 70.2
P1 63.5
Q 32.9
R 78
X1 7

d 50
b 12
t

53.5



DMP-63/24A





TMP-40D

EMP-70DB

CSM-55DB

CMPH-250/4HB

关闭窗口

 
上海起华机械有限公司 Shanghai KIHUA Machinery Co., Ltd.@版权所有
|
首页 |品牌列表 |关于我们 |联系我们 |