kihua logo sinfonia logo
  | | |  
 
 
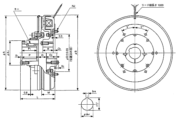
突出轴型shinko_sinfonia_神钢电机离合器<SFC-1000/IMS>

 

形 式

SFC-1000/IMS

静摩擦トルク   Nm

350

定格電圧   DC-V

24
消費電力         W(at75℃)
31
質量       kg
19

单位 : mm




A 262
A1 104.8
B 260
D 136.57


L 134.9
M 49.2
O1 6.3
O2 2.4
P 70.2
P1 63.5
Q 28.4
R 31.7
X1 7
X2 6

NJ
本数
6
P.C.D
155.6
ボルト
M8x16
V 30

d 48
b 12
t 51.5


DMP-63/24A





TMP-40D

EMP-70DB

CSM-55DB

CMPH-250/4HB





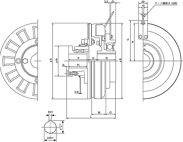
突出轴型shinko_sinfonia_神钢电机离合器<SFC-1000/BMS>

 

形 式

SFC-1000/BMS

静摩擦トルク   Nm

350

定格電圧   DC-V

24
消費電力         W(at75℃)
31
質量       kg
21

单位 : mm



A 262
A1 104.8
B 260
G 140
H 130


L 168.9
M 49.2
O 34
O1 16.8
P 70.2
P1 63.5
Q 27.7
R 64
X1 7

d 48
b 12
t

51.5



DMP-63/24A





TMP-40D

EMP-70DB

CSM-55DB

CMPH-250/4HB

关闭窗口

 
上海起华机械有限公司 Shanghai KIHUA Machinery Co., Ltd.@版权所有
|
首页 |品牌列表 |关于我们 |联系我们 |