kihua logo sinfonia logo
  | | |  
 
 
通轴型shinko_sinfonia_神钢电机离合器<SF-825/BMS>

 

形 式

SF-825/BMS

静摩擦トルク   Nm

200

定格電圧   DC-V

24
消費電力         W(at75逤)
28
質量       kg
11

单位 : mm

電源箱 DMP-63/24A
制御器 TMP-40D
EMP-70DB
CSM-55DB
CMPH-250/4HB



通轴型shinko_sinfonia_神钢电机离合器<SF-825/BMP>
 

形 式

SF-825/BMP

静摩擦トルク   Nm

200

定格電圧   DC-V

24
消費電力         W(at75逤)
28
質量       kg
9.9

单位 : mm

電源箱 DMP-63/24A
制御器 TMP-40D
EMP-70DB
CSM-55DB
CMPH-250/4HB


通轴型shinko_sinfonia_神钢电机离合器<SF-825/IMS>

 

形 式

SF-825/IMS

静摩擦トルク   Nm

180

定格電圧   DC-V

24
消費電力         W(at75逤)
25
質量       kg
11

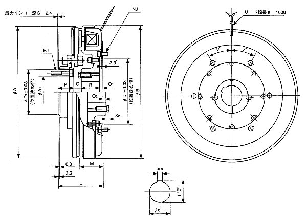
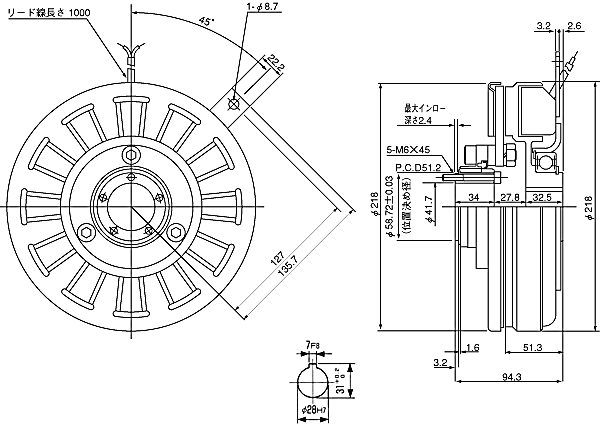
单位 : mm



A 218
A1 41.7
B 218
D1 58.72
D2 88.95


L 91.4
M 48.4
O1 17.5
O2 7.1
P 34
Q 14.5
R 25.4
X2 6

NJ
本数
6
P.C.D
107.9
ボルト
M8×16
PJ
本数
5
P.C.D
51.18
ボルト
M6×45
V
30

d
28
b
7
t

31



DMP-63/24A




TMP-40D
EMP-70DB
CSM-55DB
CMPH-250/4HB



通轴型shinko_sinfonia_神钢电机离合器<SF-825/IMP>

 

形 式

SF-825/IMP

静摩擦トルク   Nm

180

定格電圧   DC-V

24
消費電力         W(at75逤)
25
質量       kg
9.0

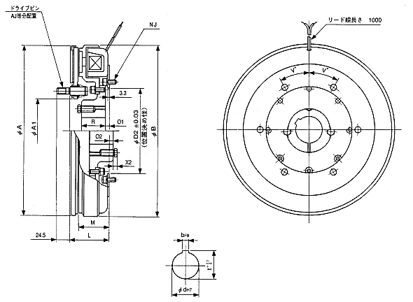
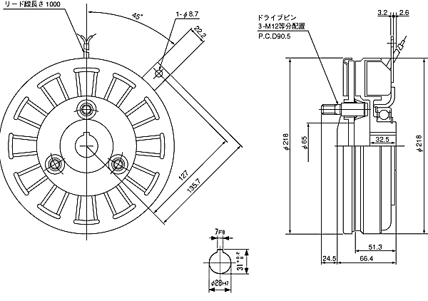
单位 : mm



A 218
A1 65
B 218
D2 88.95


L 63.5
M 48.4
O1 17.5
O2 7.1
R 25.4
X2 6

AJ
本数
3
P.C.D
90.5
ボルト
M12
NJ
本数
6
P.C.D
107.9
ボルト
M8×16
V
30

d
28
b
7
t

31



DMP-63/24A




TMP-40D
EMP-70DB

CSM-55DB

CMPH-250/4HB

关闭窗口

 
上海起华机械有限公司 Shanghai KIHUA Machinery Co., Ltd.@版权所有
|
首页 |品牌列表 |关于我们 |联系我们 |