kihua logo sinfonia logo
  | | |  
 
 
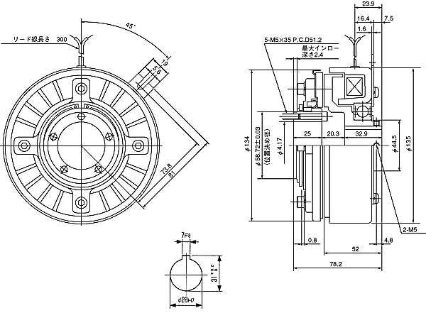
通轴型shinko_sinfonia_神钢电机离合器<SF-501/BMS>
 

形 式

SF-501/BMS

静摩擦トルク   Nm

70

定格電圧   DC-V

24
消費電力         W(at75逤)
23
質量       kg
3.8

单位 : mm

電源箱 DMP-63/24A
制御器 TMP-40D
EMP-70DB
CSM-55DB
CMPH-250/4HB

关闭窗口
 
上海起华机械有限公司 Shanghai KIHUA Machinery Co., Ltd.@版权所有
|
首页 |品牌列表 |关于我们 |联系我们 |