kihua logo sinfonia logo
  | | |  
 
 
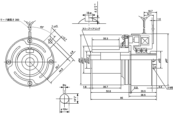
通轴型shinko_sinfonia_神钢电机离合器<SF-250/BMS-AG>

 

形 式

SF-250/BMS-AG

静摩擦トルク   Nm

7

定格電圧   DC-V

24
消費電力         W(at75逤)
7
質量       kg
0.79

单位 : mm

電源箱 トランス内蔵 シリコン整流器式 DMP-20/24A
制御器 定格励磁 無接点式 FMP-10DA
2倍過励磁 無接点式 EMP-20DB
4倍過励磁 無接点式 プリント板方式 CSM-55DB
4倍コンデンサ 過励磁 無接点式 CMPH-100/4HA



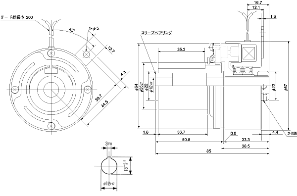
通轴型shinko_sinfonia_神钢电机离合器<SF-250/BMG>

 

形 式

SF-250/BMG

静摩擦トルク   Nm

7

定格電圧   DC-V

24
消費電力         W(at75逤)
7
質量       kg
0.77

单位 : mm

電源箱
DMP-20/24A
制御器
FMP-10DA
EMP-20DB
CSM-55DB
CMPH-100/4HA 

关闭窗口

 
上海起华机械有限公司 Shanghai KIHUA Machinery Co., Ltd.@版权所有
|
首页 |品牌列表 |关于我们 |联系我们 |