kihua logo sinfonia logo
  | | |  
 
 

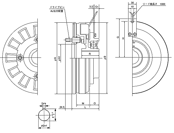
通轴型shinko_sinfonia_神钢电机离合器<SF-1525/IMS>

 

形 式

SF-1525/IMS

静摩擦トルク   Nm

1000

定格電圧   DC-V

24
消費電力         W(at75逤)
32
質量       kg
43

单位 : mm



A
394
A1
77.8
B
398
D1
109.52
D2
228.62


L
112
M
58.7
O1
5.6
O2
11.1
P
38
Q
17.6
R
50.8
X2
8.5

NJ
本数
12
P.C.D
247.6
ボルト
M8×16
PJ
本数
8
P.C.D
92.07
ボルト
M10×45
V
15

d
50
b
12
t

53.5



DMP-63/24A




TMP-40D
EMP-70DB
CSM-55DB
CMPH-250/4HB



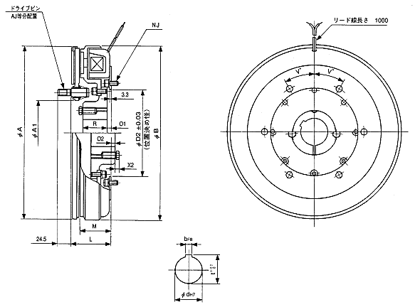
通轴型shinko_sinfonia_神钢电机离合器<SF-1525/IMP>

 

形 式

SF-1525/IMP

静摩擦トルク   Nm

1000

定格電圧   DC-V

24
消費電力         W(at75逤)
32
質量       kg
34

单位 : mm



A 394
A1 183
B 398
D2 228.62


L 75.4
M 58.7
O1 5.6
O2 11.1
R 50.8
X2 8.5


AJ
本数
4
P.C.D
215.6
ボルト
M12
NJ
本数
12
P.C.D
247.6
ボルト
M8×16
V 15

d 50
b 12
t

53.5



DMP-63/24A




TMP-40D
EMP-70DB

CSM-55DB

CMPH-250/4HB



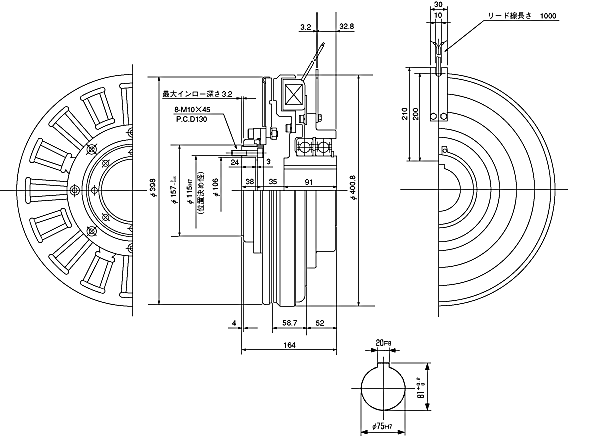
通轴型shinko_sinfonia_神钢电机离合器<SF-1525/BMS>

 

形 式

SF-1525/BMS

静摩擦トルク   Nm

1000

定格電圧   DC-V

24
消費電力         W(at75逤)
32
質量       kg
48

单位 : mm



A 394
A1 77.8
B 398
D1 109.52
G 210
H 200


L 148
M 58.7
O 36
O1 18.8
P 38
Q 35
R 75


PJ
本数
8
P.C.D
92.07
ボルト
M10×45

d 50
b 12
t

53.5



DMP-63/24A





TMP-40D

EMP-70DB

CSM-55DB

CMPH-250/4HB




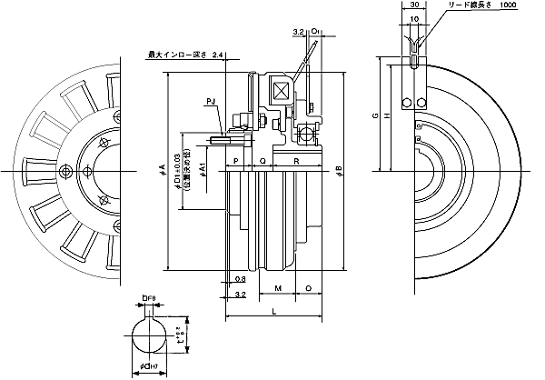
通轴型shinko_sinfonia_神钢电机离合器<SF-1525/BMP>

 

形 式

SF-1525/BMP

静摩擦トルク   Nm

1000

定格電圧   DC-V

24
消費電力         W(at75逤)
32
質量       kg
43

单位 : mm



A 394
A1 183
B 398
G 210
H 200



L 111.4
M 58.7
O 36
O1 18.8
R 75


PJ
本数
4
P.C.D
215.9
ボルト
M12

d
50
b
12
t
53.5


DMP-63/24A





TMP-40D

EMP-70DB

CSM-55DB

CMPH-250/4HB




通轴型shinko_sinfonia_神钢电机离合器<SF-1525HT/IMS>  

形 式

SF-1525HT/IMS

静摩擦トルク   Nm

1800

定格電圧   DC-V

24
消費電力         W(at75逤)
143
質量       kg
49

单位 : mm

電源箱 トランス内蔵 シリコン整流器式 DMP-200/24



通轴型shinko_sinfonia_神钢电机离合器<SF-1525HT/BMS>  

形 式

SF-1525HT/BMS

静摩擦トルク   Nm

1800

定格電圧   DC-V

24
消費電力         W(at75逤)
143
質量       kg
59

单位 : mm

電源箱 トランス内蔵 シリコン整流器式 DMP-200/24

关闭窗口

 
上海起华机械有限公司 Shanghai KIHUA Machinery Co., Ltd.@版权所有
|
首页 |品牌列表 |关于我们 |联系我们 |