kihua logo sinfonia logo
  | | |  
 
 
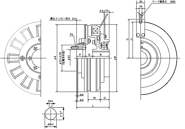
通轴型shinko_sinfonia_神钢电机离合器<SF-1225/IMS>

 

形 式

SF-1225/IMS

静摩擦トルク   Nm

650

定格電圧   DC-V

24
消費電力         W(at75逤)
27
質量       kg
31

单位 : mm



A
320
A1
77.8
B
322.5
D1
109.52
D2
161.97


L 109.2
M 58.7
O1 7.9
O2 7.1
P 38
Q 18.9
R 44.4
X2 7.5

NJ
本数
6
P.C.D
184.1
ボルト
M8×16
PJ
本数
8
P.C.D
92.07
ボルト
M10×45
V
30

d
50
b
12
t

53.5



DMP-63/24A




TMP-40D
EMP-70DB
CSM-55DB
CMPH-250/4HB



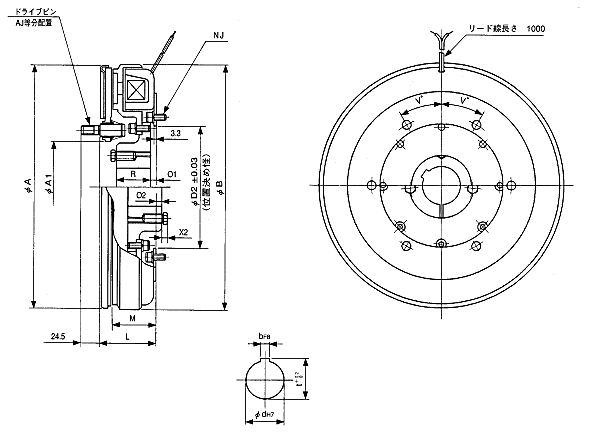
通轴型shinko_sinfonia_神钢电机离合器<SF-1225/IMP>

 

形 式

SF-1225/IMP

静摩擦トルク   Nm

650

定格電圧   DC-V

24
消費電力         W(at75逤)
27
質量       kg
25

单位 : mm



A 320
A1 120
B 322.5
D2 161.97


L 75.4
M 58.7
O1 7.9
O2 7.1
R 44.4
X2 7.5


AJ
本数
4
P.C.D
149.3
ボルト
M12
NJ
本数
6
P.C.D
184.1
ボルト
M8×16
V 30

d 50
b 12
t

53.5



DMP-63/24A




TMP-40D
EMP-70DB

CSM-55DB

CMPH-250/4HB




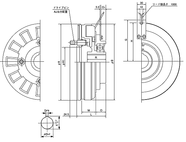
通轴型shinko_sinfonia_神钢电机离合器<SF-1225/BMS>

 

形 式

SF-1225/BMS

静摩擦トルク   Nm

650

定格電圧   DC-V

24
消費電力         W(at75逤)
27
質量       kg
34

单位 : mm



A
320
A1
77.8
B
322.5
D1
109.52
G
170
H
160


L 149.2
M 58.7
O 40
O1 22.8
P 38
Q 33.2
R 78


PJ
本数
8
P.C.D
92.07
ボルト
M10×45

d
50
b
12
t

53.5



DMP-63/24A





TMP-40D

EMP-70DB

CSM-55DB

CMPH-250/4HB



通轴型shinko_sinfonia_神钢电机离合器<SF-1225/BMS>

 

形 式

SF-1225/BMP

静摩擦トルク   Nm

650

定格電圧   DC-V

24
消費電力         W(at75逤)
27
質量       kg
29

单位: mm



A 320
A1 120
B 322.5
G 170
H 160



L 114.6
M 58.7
O 40
O1 22.8
R 78


AJ
本数
4
P.C.D
149.3
ボルト
M12

d 50
b 12
t 53.5


DMP-63/24A





TMP-40D

EMP-70DB

CSM-55DB

CMPH-250/4HB

关闭窗口

 
上海起华机械有限公司 Shanghai KIHUA Machinery Co., Ltd.@版权所有
|
首页 |品牌列表 |关于我们 |联系我们 |