kihua logo sinfonia logo
  | | |  
 
 
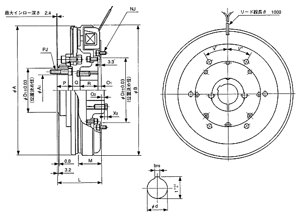
通轴型shinko_sinfonia_神钢电机离合器<SF-1000/IMS>

 

形 式

SF-1000/IMS

静摩擦トルク   Nm

350

定格電圧   DC-V

24
消費電力         W(at75逤)
31
質量       kg
17

单位 : mm



A 262
A1 66.7
B 260
D1 101.6
D2 136.57


L 93.1
M 49.2
O1 6.3
O2 2.4
P 35
Q 20.1
R 31.7
X2 6

NJ
本数
6
P.C.D
155.6
ボルト
M8x16
PJ
本数
6
P.C.D
80.95
ボルト
M10x45
V
30

d
48
b
12
t

51.5



DMP-63/24A




TMP-40D
EMP-70DB
CSM-55DB
CMPH-250/4HB



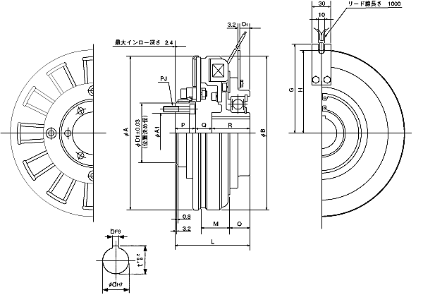
通轴型shinko_sinfonia_神钢电机离合器<SF-1000/IMP>

 

形 式

SF-1000/IMP

静摩擦トルク   Nm

350

定格電圧   DC-V

24
消費電力         W(at75逤)
31
質量       kg
15

单位 : mm



A 262
A1 107
B 260
D2 136.57


L 64.3
M 49.2
O1 6.3
O2 2.4
R 31.7
X2 6


AJ
本数
3
P.C.D
133.4
ボルト
M12
NJ
本数
6
P.C.D
155.6
ボルト
M8×16
V 30

d 48
b 12
t

51.5



DMP-63/24A




TMP-40D
EMP-70DB

CSM-55DB

CMPH-250/4HB




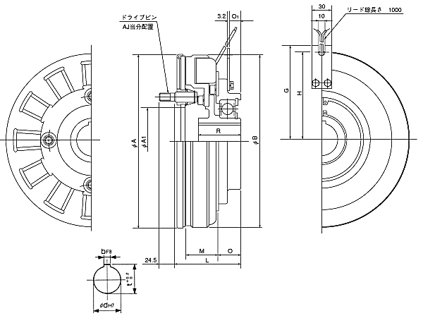
通轴型shinko_sinfonia_神钢电机离合器<SF-1000/IMP>

 

形 式

SF-1000/BMS

静摩擦トルク   Nm

350

定格電圧   DC-V

24
消費電力         W(at75逤)
31
質量       kg
19


A 262
A1 66.7
B 260
D1 101.6
G 140
H 130


L 127.1
M 49.2
O 34
O1 16.8
P 35
Q 28.1
R 64


PJ
本数
6
P.C.D
80.95
ボルト
M10×45

d
48
b
12
t

51.5



DMP-63/24A





TMP-40D

EMP-70DB

CSM-55DB

CMPH-250/4HB




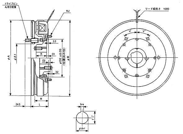
通轴型shinko_sinfonia_神钢电机离合器<SF-1000/BMP>

 

形 式

SF-1000/BMP

静摩擦トルク   Nm

350

定格電圧   DC-V

24
消費電力         W(at75逤)
31
質量       kg
17

单位 : mm



A 262
A1 107
B 260
G 140
H 130


L 98.3
M 49.2
O 34
O1 16.8
R 64


AJ
本数
3
P.C.D
133.4
ボルト
M12

d 48
b 12
t 51.5


DMP-63/24A





TMP-40D

EMP-70DB

CSM-55DB

CMPH-250/4HB


关闭窗口

 
上海起华机械有限公司 Shanghai KIHUA Machinery Co., Ltd.@版权所有
|
首页 |品牌列表 |关于我们 |联系我们 |