kihua logo sinfonia logo
  | | |  
 
 
轴承安装型电磁离合/shinko_sinfonia_神钢电机制动器
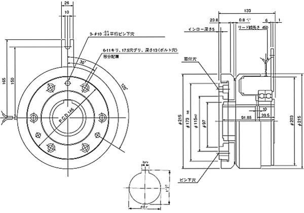
<STZ-160>

 

形 式

STZ-160
定格トルク   Nm
1600

定格電圧    DC-V

24
消費電力   W(at75℃)
80

質量               kg

18

受注生産品

単位 : mm

電源箱
DMP-200/24

关闭窗口

 
上海起华机械有限公司 Shanghai KIHUA Machinery Co., Ltd.@版权所有
|
首页 |品牌列表 |关于我们 |联系我们 |