kihua logo sinfonia logo
  | | |  
 
 
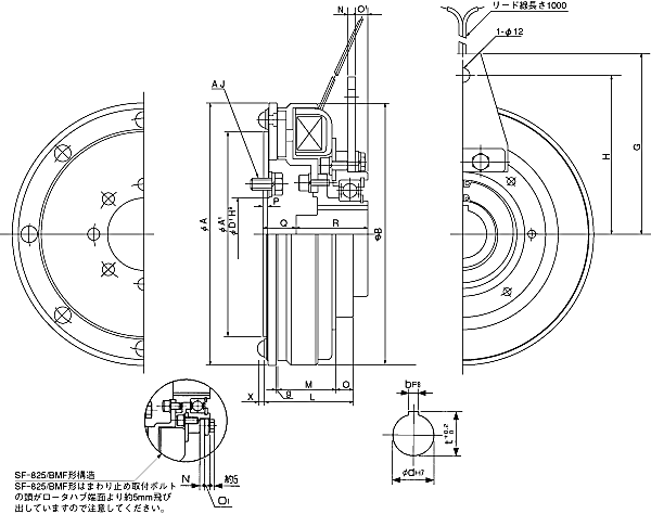
钢板式弹簧shinko_sinfonia_神钢电机离合器<SF-825-BMF>

 

形式

SF-825/BMF
静摩擦トルク Nm
200
定格電圧     DC-V
24
消費電力   W(at75℃)
33.5
質量            kg
11


A 218
A1 170
B 218
D1 60
G 150
H 132


L 86.4
M 48.4
N 6
O 26.5
O1 6.2
P 3.8
Q 41.4
R 45
X 4.4
g 0.6

AJ 個数 8
P.C.D 83
ボルト M10x20

d 40
b 10
t 43.5


DMP-63/24A






TMP-40D

EMP-70DB

CSM-55DB

CMPH-250/4HB

关闭窗口

 
上海起华机械有限公司 Shanghai KIHUA Machinery Co., Ltd.@版权所有
|
首页 |品牌列表 |关于我们 |联系我们 |