kihua logo sinfonia logo
  | | |  
 
 

电磁离合/shinko_sinfonia_神钢电机制动器<SBS-300>

 

形 式

SBS-300
-4D
-8D
静摩擦トルク   Nm
800
1500

定格電圧    DC-V

24
消費電力    W(at75℃)
82

質量             kg

70

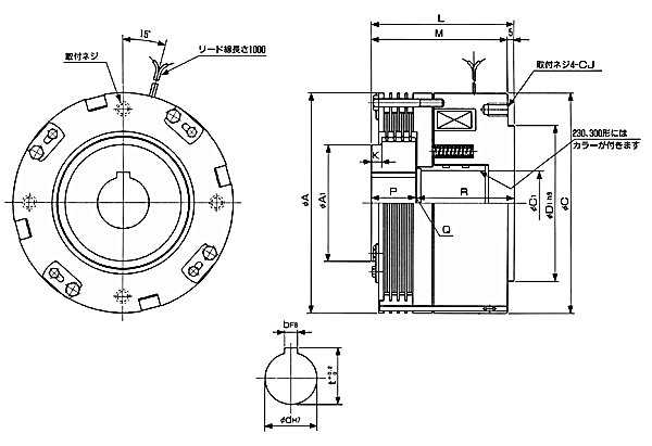
单位 : mm



A 300
A1 175
C 300
C1 100
D1 220


K 17
L 200
P 67
Q 3
R 130

CJ P.C.D 260
ネジ M16x30

75
20
81


DMP-200/24A

 

关闭窗口

 
上海起华机械有限公司 Shanghai KIHUA Machinery Co., Ltd.@版权所有
|
首页 |品牌列表 |关于我们 |联系我们 |