kihua logo sinfonia logo
  | | |  
 
 

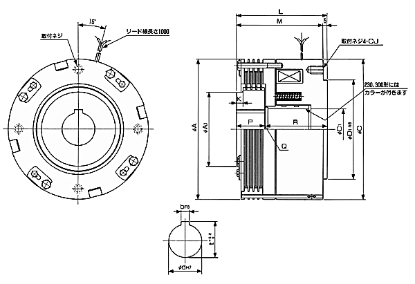
电磁离合/shinko_sinfonia_神钢电机制动器<SBS-230>

 

形 式

SBS-230
-4D
-8D
静摩擦トルク   Nm
260
500

定格電圧    DC-V

24
消費電力    W(at75℃)
62

質量             kg

30

单位 : mm



A 230
A1 125
C 230
C1 65
D1 170


K 13
L 145
P 43
Q 2
R 100

CJ P.C.D 200
ネジ M12x20

55
15
60


DMP-63/24A

 

关闭窗口

 
上海起华机械有限公司 Shanghai KIHUA Machinery Co., Ltd.@版权所有
|
首页 |品牌列表 |关于我们 |联系我们 |