kihua logo sinfonia logo
  | | |  
 
 
电磁离合/shinko_sinfonia_神钢电机制动器<SBS-170>

 

形 式

SBS-170
-4D
-8D
静摩擦トルク   Nm
60
120

定格電圧    DC-V

24
消費電力    W(at75℃)
38

質量             kg

15

受注生産品

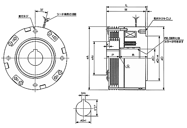
単位 : mm



A 170
A1 90
C 170
C1 56
D1 120


K 8
L 110
P 34
Q 1
R 75

CJ P.C.D 145
ネジ M10×15

40
10
43.5


DMP-63/24A





EMP-70DB
CSM-55DB
CMPH-250/4HB

 

关闭窗口

 
上海起华机械有限公司 Shanghai KIHUA Machinery Co., Ltd.@版权所有
|
首页 |品牌列表 |关于我们 |联系我们 |