kihua logo sinfonia logo
  | | |  
 
 
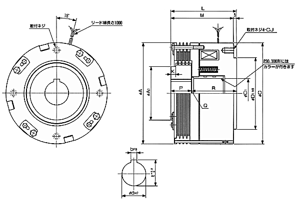
电磁离合/shinko_sinfonia_神钢电机制动器<SBS-140>

 

形 式

SBS-140
-4D
-8D
静摩擦トルク   Nm
30
60

定格電圧    DC-V

24
消費電力    W(at75??C)
28

質量             kg

8

受注生産品



A 140
A1 70
C 140
C1 36
D1 100


K 9
L 95
P 29
Q 1
R 65

CJ P.C.D 120
ネジ M8×10

25
7
28


DMP-63/24A





TMP-40D
EMP-70DB
CSM-55DB
CMPH-250/4HB

 

关闭窗口

 
上海起华机械有限公司 Shanghai KIHUA Machinery Co., Ltd.@版权所有
|
首页 |品牌列表 |关于我们 |联系我们 |