kihua logo sinfonia logo
  | | |  
 
 
电磁离合/shinko_sinfonia_神钢电机制动器<SBS-120>

 

形 式

SBS-120
-4D
-8D
静摩擦トルク   Nm
15
30

定格電圧    DC-V

24
消費電力    W(at75℃)
23

質量             kg

5

受注生産品

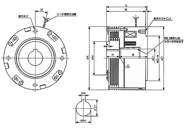
单位 : mm



A 120
A1 60
C 120
C1 29
D1 80


K 7
L 80
P 24
Q 1
R 55

CJ P.C.D 100
ネジ M6×10

20
5
22


DMP-63/24A





TMP-40D
EMP-70DB
CSM-55DB
CMPH-250/4HB

关闭窗口

 
上海起华机械有限公司 Shanghai KIHUA Machinery Co., Ltd.@版权所有
|
首页 |品牌列表 |关于我们 |联系我们 |