kihua logo sinfonia logo
  | | |  
 
 

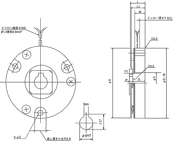
shinko_sinfonia_神钢电机离合器<SBR-92-25>

 

形 式

92-25
静摩擦トルク    Nm

2.5

定格電圧    DC-V

24
消費電力  W(at75℃) 16

質量             kg

0.9

单位 : mm



A
90
C
25

D1

90


L 23
L1 23
M 15
P 4.5
Q 18.5
Y 4

P.C.D 80
S 10
Z 4.5

14
5
t 16.3

 

关闭窗口

 
上海起华机械有限公司 Shanghai KIHUA Machinery Co., Ltd.@版权所有
|
首页 |品牌列表 |关于我们 |联系我们 |