kihua logo sinfonia logo
  | | |  
 
 
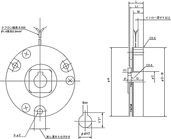
shinko_sinfonia_神钢电机离合器<SBR-82-18>

 

形 式

82-18
静摩擦トルク    Nm

1.8

定格電圧    DC-V

24
消費電力  W(at75℃)
12

質量             kg

0.8


A 80
C 23

D1

80


L 25
L1 25
M 16.5
P 5
Q 20
Y 4

P.C.D 70
S 8
Z 4.5

14
5
t 16.3

关闭窗口

 
上海起华机械有限公司 Shanghai KIHUA Machinery Co., Ltd.@版权所有
|
首页 |品牌列表 |关于我们 |联系我们 |