kihua logo sinfonia logo
  | | |  
 
 
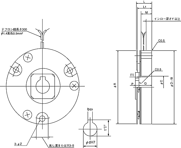
shinko_sinfonia_神钢电机离合器<SBR-62-10>

 

形 式

62-10
静摩擦トルク    Nm

1

定格電圧    DC-V

24
消費電力  W(at75℃)
8

質量             kg

0.5


A 60
C 24

D1

64


L 29
L1 26.5
M 19.5
P 6.5
Q 22.5
Y 4

P.C.D 56
S 8
Z 4.5

12
5
t 14.3

关闭窗口

 
上海起华机械有限公司 Shanghai KIHUA Machinery Co., Ltd.@版权所有
|
首页 |品牌列表 |关于我们 |联系我们 |