kihua logo sinfonia logo
  | | |  
 
 

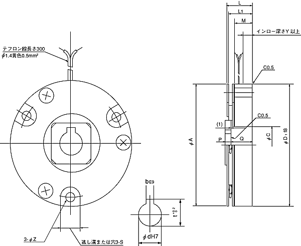
shinko_sinfonia_神钢电机离合器<SBR-42-3>

 

形 式

42-3
静摩擦トルク    Nm

0.3

定格電圧    DC-V

24
消費電力  W(at75℃)
6

質量             kg

0.15

单位 : mm



A
43
C
13

D1

43


L 22.5
L1 21
M 15
P 5
Q 17.5
Y 4

P.C.D 37
S 7
Z 3.4

8
3
t 9.4

关闭窗口

 
上海起华机械有限公司 Shanghai KIHUA Machinery Co., Ltd.@版权所有
|
首页 |品牌列表 |关于我们 |联系我们 |