kihua logo sinfonia logo
  | | |  
 
 

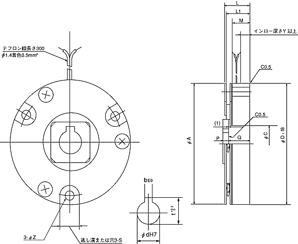
shinko_sinfonia_神钢电机离合器<SBR-202-450>

 

形 式

202-450
静摩擦トルク    Nm

45

定格電圧    DC-V

24
消費電力  W(at75℃) 36

質量             kg

6

单位 : mm



A
200
C
50

D1

200


L 35
L1 35
M 18
P 9
Q 26
Y 5

P.C.D 180
S 18
Z 9

30
8
t 33.3

关闭窗口

 
上海起华机械有限公司 Shanghai KIHUA Machinery Co., Ltd.@版权所有
|
首页 |品牌列表 |关于我们 |联系我们 |