kihua logo sinfonia logo
  | | |  
 
 

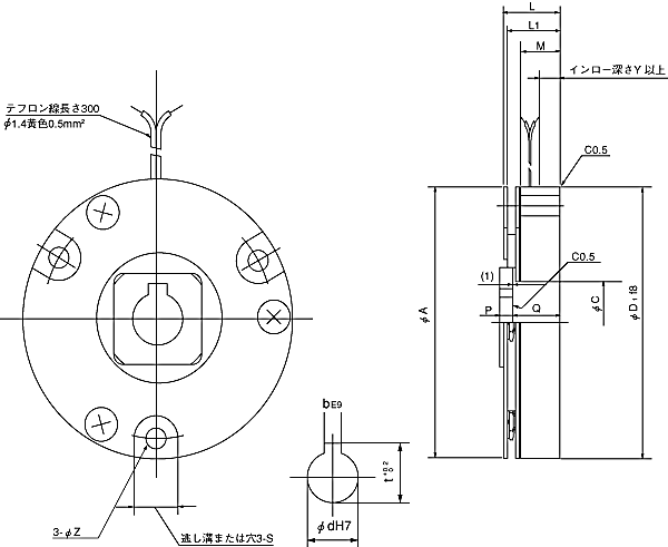
shinko_sinfonia_神钢电机离合器<SBR-152-220>

 

形 式

152-220
静摩擦トルク    Nm

22

定格電圧    DC-V

24
消費電力  W(at75℃) 32

質量             kg

3.4

单位 : mm



A
150
C
30

D1

150


L 35
L1 35
M 14.5
P 13.5
Q 21.5
Y 5

P.C.D 135
S 11
Z 6.6

25
7
t 28.3

 

关闭窗口

 
上海起华机械有限公司 Shanghai KIHUA Machinery Co., Ltd.@版权所有
|
首页 |品牌列表 |关于我们 |联系我们 |