kihua logo sinfonia logo
  | | |  
 
 

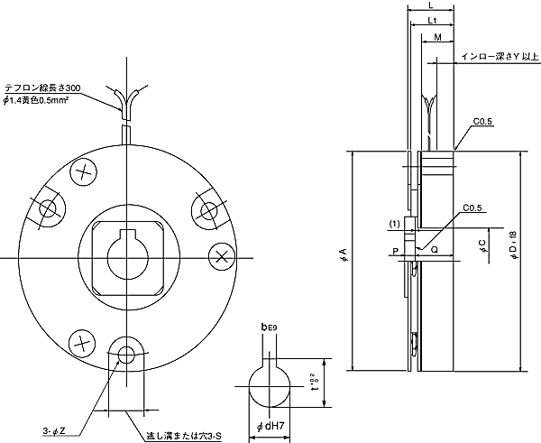
shinko_sinfonia_神钢电机离合器<SBR-152-140>

 

形 式

152-140
静摩擦トルク    Nm

14

定格電圧    DC-V

24
消費電力  W(at75℃) 30

質量             kg

2.6

单位 : mm



A
150
C
30

D1

150


L 25
L1 25
M 12
P 8
Q 17
Y 5

P.C.D 135
S 11
Z 6.6

25
7
t 28.3

 

关闭窗口

 
上海起华机械有限公司 Shanghai KIHUA Machinery Co., Ltd.@版权所有
|
首页 |品牌列表 |关于我们 |联系我们 |