kihua logo sinfonia logo
  | | |  
 
 

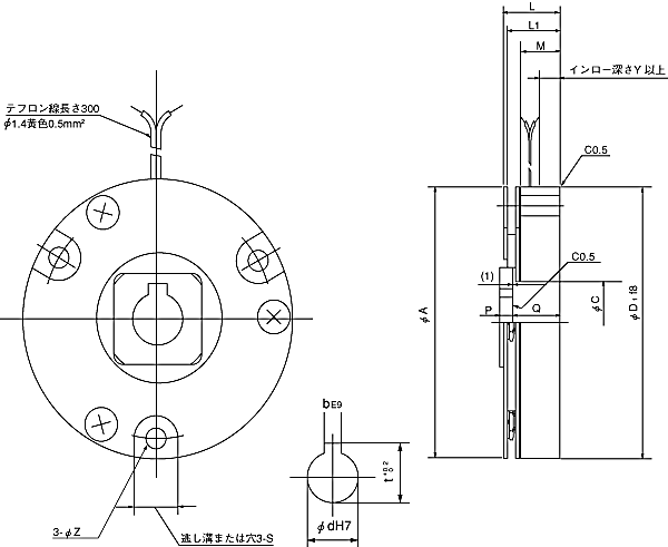
shinko_sinfonia_神钢电机离合器<SBR-132-120>

 

形 式

132-120
静摩擦トルク    Nm

12

定格電圧    DC-V

24
消費電力  W(at75℃) 30

質量             kg

2.3

单位 : mm



A
130
C
25

D1

130


L 30
L1 30
M 14
P 10
Q 20
Y 5

P.C.D 118
S 10
Z 5.7

20
7
t 23.3

关闭窗口

 
上海起华机械有限公司 Shanghai KIHUA Machinery Co., Ltd.@版权所有
|
首页 |品牌列表 |关于我们 |联系我们 |