kihua logo sinfonia logo
  | | |  
 
 

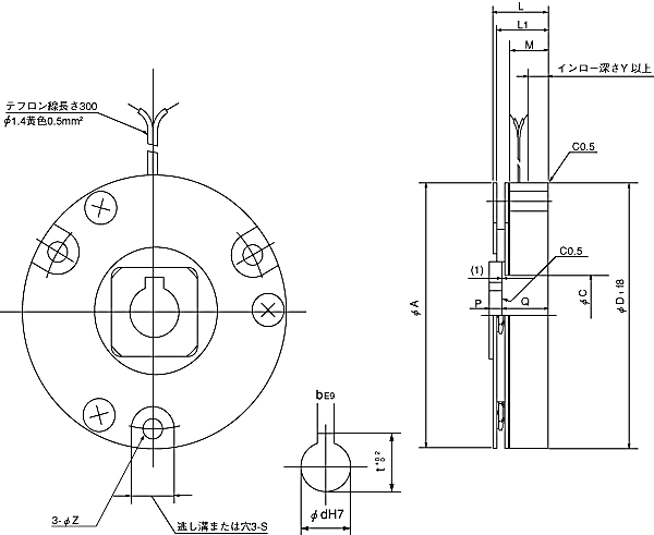
shinko_sinfonia_神钢电机离合器<SBR-102-40>

 

形 式

102-40
静摩擦トルク    Nm

4

定格電圧    DC-V

24
消費電力  W(at75℃) 16

質量             kg

1.1

单位 : mm



A
100
C
26

D1

100


L 25
L1 25
M 13.5
P 7
Q 18
Y 4

P.C.D 90
S 8
Z 4.5

14
5
t 16.3

 

关闭窗口

 
上海起华机械有限公司 Shanghai KIHUA Machinery Co., Ltd.@版权所有
|
首页 |品牌列表 |关于我们 |联系我们 |